Switching stuff from PTT

Digital ATV - The latest generation, cutting edge ATV - Please discuss it all here.
Forum rules
This forum is run by the BATC (British Amateur Television Club), it is service made freely available to all interested parties, please do not abuse this privilege.

Thank you
g0mjw
Posts: 2735
Joined: Sat Sep 20, 2014 9:15 am

Switching stuff from PTT

Post by g0mjw » Sun Oct 07, 2018 8:45 am

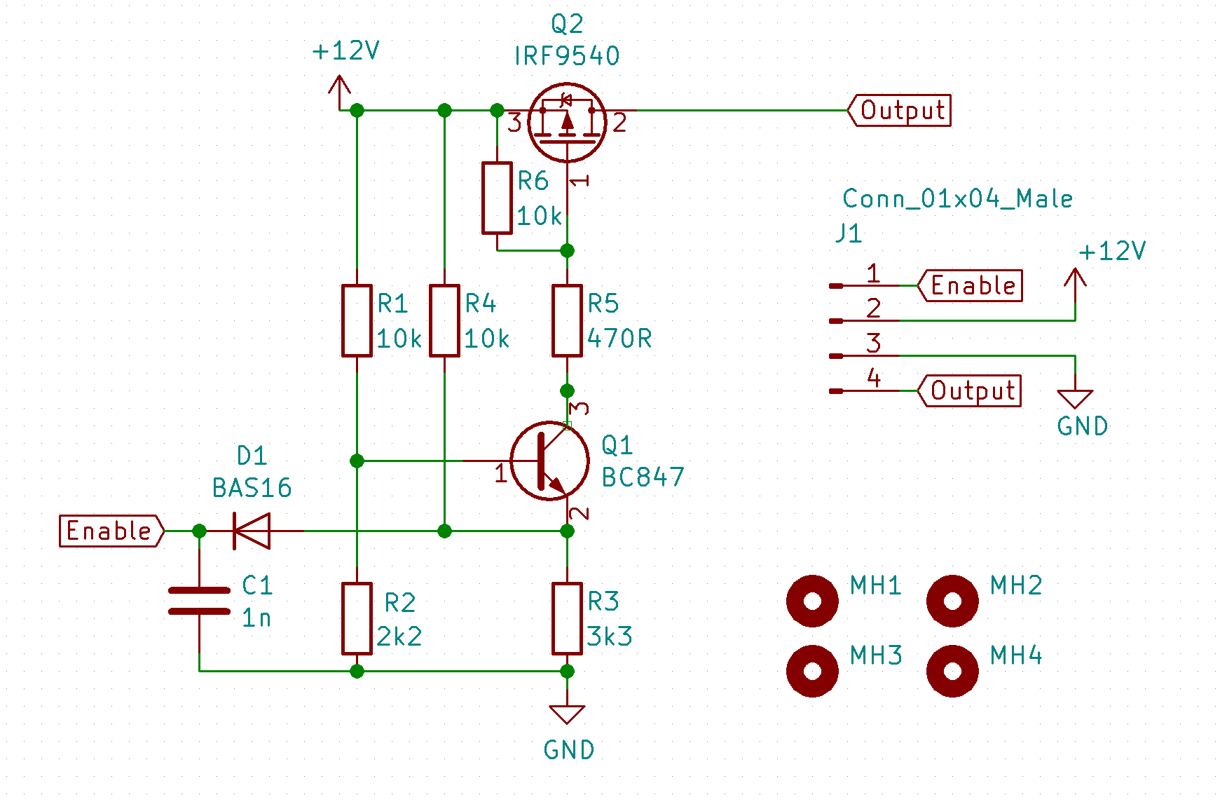
Making use of the very cheap PCB offers currently available I have made a simple high side switch to connect 12V on grounding, e.g to drive a relay or a small amplifier. Its limited by its lack of heatsinking to a couple of amps. I will put the gerbers in the files area on the Wiki. I built one up with an IRF9540 rather than an IRF9520 as the higher current devices were more available. To switch more power, heatsinking of the device will be required - that's fairly easy to do with the TO220 versions of the devices, keeping the high current paths off the PCB.

Mike
HSSwitchSchematic.PNG
HSSwitchSchematic.PNG (48.6 KiB) Viewed 7931 times
HSSwitchModel.jpg
HSSwitchModel.jpg (143.89 KiB) Viewed 7931 times
HSSwitch.jpg
HSSwitch.jpg (848.87 KiB) Viewed 7931 times
Attachments
HSSwitchSchematic.PNG
HSSwitchSchematic.PNG (48.6 KiB) Viewed 7975 times
HSSwitch.jpg
HSSwitch.jpg (848.87 KiB) Viewed 7975 times
HSSwitchModel.jpg
HSSwitchModel.jpg (143.89 KiB) Viewed 7975 times
HSSwitch.jpg
HSSwitch.jpg (848.87 KiB) Viewed 8038 times
Last edited by g0mjw on Mon Oct 08, 2018 3:44 pm, edited 4 times in total.

User avatar
gm1mfn
Posts: 101
Joined: Tue Sep 09, 2008 12:32 pm

Re: Switching stuff from PTT

Post by gm1mfn » Sun Oct 07, 2018 10:30 am

That looks like an interesting biassing arrangement for Q1.
Doppler effect: The tendency of stupid ideas to seem smarter when they come at you rapidly.

g0mjw
Posts: 2735
Joined: Sat Sep 20, 2014 9:15 am

Re: Switching stuff from PTT

Post by g0mjw » Sun Oct 07, 2018 1:10 pm

Yes, after building it I agree R2 could be a bit lower, maybe 2k2, or R3 3k3. You don't need to pull it very hard to turn it on so perhaps a bit too sensitive.

Q1 is not really needed for a simple switch, you could just ground the gate of Q2 as long as the higher voltage didn't upset your driving I/O. Grounding the base of Q1 (shorting R2) will turn it back off again. I should add a pad to make that connection easier.

User avatar
gm1mfn
Posts: 101
Joined: Tue Sep 09, 2008 12:32 pm

Re: Switching stuff from PTT

Post by gm1mfn » Sun Oct 07, 2018 3:57 pm

The values of R2 & R3 suggest that Q1 is actually always turned on slightly, with 3.04V on the base and 2.16V on the emitter from a 12V supply. This means that Q2 is never fully turned off. It would get worse if the 12V supply is actually a car battery on charge at 14.2V.

It might be better to make R2 2k2 & R3 3k3 then the base emitter junction of Q1 would be reverse biassed with nothing connected to the input.
Doppler effect: The tendency of stupid ideas to seem smarter when they come at you rapidly.

g0mjw
Posts: 2735
Joined: Sat Sep 20, 2014 9:15 am

Re: Switching stuff from PTT

Post by g0mjw » Sun Oct 07, 2018 4:14 pm

Indeed, I may well have transposed them when drawing it out. Easy fix.I measured it and its not actually on, the gate is at 10.8V with a 12V supply and the threshold is 4V.

(Don't seem to be able to delete old attachments...)

User avatar
gm1mfn
Posts: 101
Joined: Tue Sep 09, 2008 12:32 pm

Re: Switching stuff from PTT

Post by gm1mfn » Mon Oct 08, 2018 7:44 am

There appeared to be only one attachment to your first post and I have deleted it for you. You'll need to put the correct one back.

73
John
Doppler effect: The tendency of stupid ideas to seem smarter when they come at you rapidly.

g0mjw
Posts: 2735
Joined: Sat Sep 20, 2014 9:15 am

Re: Switching stuff from PTT

Post by g0mjw » Mon Oct 08, 2018 7:59 am

I re-uploaded last night but I don't have these attachments any more so please can you put them back?

User avatar
gm1mfn
Posts: 101
Joined: Tue Sep 09, 2008 12:32 pm

Re: Switching stuff from PTT

Post by gm1mfn » Mon Oct 08, 2018 8:46 am

Humble apologies, I didn't anticipate that and didn't download it before deleting. I think it's probably gone from the server now so can't be restored.
Doppler effect: The tendency of stupid ideas to seem smarter when they come at you rapidly.

MN-tech
Posts: 59
Joined: Thu Aug 30, 2012 6:01 pm

Re: Switching stuff from PTT

Post by MN-tech » Mon Oct 08, 2018 1:17 pm

I can't find the schematic you are discussing but I do want to add that there are many ICs made for this purpose. They take a logic level in and switch a higher voltage. Digi-key calls them " PMIC - Power Distribution Switches, Load Drivers".

Here is one high current example. BTS500551TMBAKSA1
https://www.digikey.com/product-detail/ ... ND/2051619

John

g0mjw
Posts: 2735
Joined: Sat Sep 20, 2014 9:15 am

Re: Switching stuff from PTT

Post by g0mjw » Mon Oct 08, 2018 3:45 pm

gm1mfn wrote:
Mon Oct 08, 2018 8:46 am
Humble apologies, I didn't anticipate that and didn't download it before deleting. I think it's probably gone from the server now so can't be restored.
Strange. I found them on FB uploaded again and the old ones re-appeared!

Post Reply

Return to “DATV - Digital ATV”