Page 1 of 1
4 or 6 port coax relay / switch
Posted: Sun Jan 26, 2025 9:26 pm
by gu6efb
Hello
I am looking for a 4 or 6 port coax relay / switch.
Would anyone have a surplus unit sitting on a shelf that there are willing to sell?
I have looked e-bay but don’t want to be paying £250 up for a second hand unit.
Happy to pay a fair price, or does anyone know of a reliable source of these type of units?
Thanks
73 Keith GU6EFB
Re: 4 or 6 port coax relay / switch
Posted: Sun Jan 26, 2025 10:08 pm
by VK5BI
Keith,
Contact Jac ,
pa3dzl@icloud.com and ask him to email you his current list of products for sale.
He provides excellent service.
Regards
Wayne
Re: 4 or 6 port coax relay / switch
Posted: Mon Jan 27, 2025 10:19 pm
by gu6efb
Many thanks Wayne for the info.
Email sent and awaiting response
Many thanks for the help.
73 Keith GU6EFB
Re: 4 or 6 port coax relay / switch
Posted: Tue Jan 28, 2025 8:47 am
by g0mjw
Hi Keith,
You didn't give the specification. Is this for HF, VHF, UHF, SHF? Power rating? Connectors?
6 port and 4 port SMA relays were often available at rallies very cheap as nobody really wanted them. I remember seeing piles of them at Dayton and Friedrichshafen in the early 2000s. Fewer in the UK, but still plenty. Where have they all gone I wonder? There was a chap selling lots at Newbury 3 years ago, not seen them since.
If it is just for HF and low VHF (up to say 6m) then you really don't need a coaxial relay. There is a chap in Bulgaria selling 6 way switches based on relays. These are also on Aliexpress/Ebay from China
https://www.ebay.co.uk/itm/134231762073 - That's what I am using with my IC7300 to select between antennas for HF Dipole/HF vertical/10m/6&4m/4m vertical based on that 8-way antenna switch board I designed that I think you built.
If it is for higher bands, be aware that the ratings of the SMA switches vary. Some are rated at 100W, some more, others much less. That to the extent that this may not be the best way to do it.
You can for example use 3 CX-520s (other coax relays exist) to create a 4-way switch that would handle 300W on 2m and 70cm and 200W on 23cm. They are expensive new but very often found surplus as they were used in old analogue mobile radio base stations. Quite often TNC relays are available because nobody want to use a TNC, despite them being rather good connectors. The Apollo ground station at RAL used many TNC relays, so they can't be that bad. These can be driven with minor changes to the software and are expandable as adding a relay adds a port. Not so good for cumulative losses, but if you can always arrange for the most critical bands to pass through the fewest relays.
Mike
Re: 4 or 6 port coax relay / switch
Posted: Wed Jan 29, 2025 11:16 am
by gu6efb
Hi Mike
Many thanks for the info just looking for a unit to fit in my Portsdown build to deal with RX and TX switching.
TX switching is at the drive level so very low power covering HF and above, I have at least started this project with a large housing but will still
properly still run out of space.
Thanks
Keith
Re: 4 or 6 port coax relay / switch
Posted: Wed Jan 29, 2025 11:20 am
by radiogareth
Can't get much smaller than this.....might suit your needs....
https://vi.aliexpress.com/item/10050059 ... pt=glo2vnm
Ready built too....
Gareth
Re: 4 oder 6 Port Coax Relay / Switch
Posted: Fri Feb 14, 2025 8:48 pm
by DL5BCA
Re: 4 or 6 port coax relay / switch
Posted: Sat Feb 15, 2025 10:44 am
by g0mjw
gu6efb wrote: ↑Wed Jan 29, 2025 11:16 am
Hi Mike
Many thanks for the info just looking for a unit to fit in my Portsdown build to deal with RX and TX switching.
TX switching is at the drive level so very low power covering HF and above, I have at least started this project with a large housing but will still
properly still run out of space.
Thanks
Keith
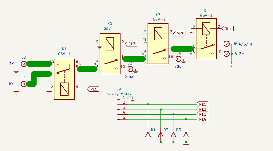
Certainly up to 70cms, as long as you don't want too much isolation, you can use miniature 12V relays. Maybe we should design a PCB for this? Something like :

- Screenshot 2025-02-15 104228.png (54.49 KiB) Viewed 10821 times
Maybe?
Re: 4 or 6 port coax relay / switch
Posted: Sat Feb 15, 2025 3:18 pm
by g0mjw
Or maybe

- Screenshot 2025-02-15 145710.png (36.38 KiB) Viewed 10719 times
Though the board would need to be on 0.8mm PCB to make the 50 ohm tracks thinner. The idea being that the higher bands have the easiest path and other bands, where it doesn't matter so much make do with a bit worse.
Put it in a Hammond diecast box

- Screenshot 2025-02-15 151737.png (319.17 KiB) Viewed 10719 times
and a 4 port version as who needs 6.

- Screenshot 2025-02-15 162519.png (37.38 KiB) Viewed 10692 times
Mike