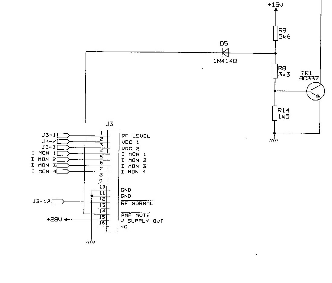
This is the pinouts for the 25w and 300w CML amps .
The amp mute pin14 has to be grounded to mute the amp.
73 Arthur
G4CPE
CML amp interface pinouts
The place to discuss ex-Broadcast equipment
Forum rules
This forum is run by the BATC (British Amateur Television Club), it is service made freely available to all interested parties, please do not abuse this privilege.
Thank you
This forum is run by the BATC (British Amateur Television Club), it is service made freely available to all interested parties, please do not abuse this privilege.
Thank you
Return to “Broadcast Equipment Discussion Zone”
Jump to
- Forum Admin
- ↳ Announcements
- ↳ Feedback
- ↳ New BATC WebSite and Online Shop
- ATV General Discussion
- ↳ Getting Started?
- ↳ General ATV Discussion
- ↳ DATV - Digital ATV
- ↳ The Portsdown Digital ATV System
- ↳ The Ryde Digital ATV Receiver
- ↳ ARISS HamTV
- ↳ The WinterHill DATV Receiver
- ↳ The Knucker DVB-T Tuner and Receive Software
- ↳ OpenTuner DATV Receive Software
- ↳ The MiniTiouner and MiniTioune Digital Receive Software
- ↳ LimeSDR Mini
- ↳ Es’hail-2 - DATV Transponder
- ↳ CAT 25 Part 2, 25 October 2025
- ↳ CQ-TV, The BATC Magazine
- ↳ ATV Activity and Contest Discussions
- ↳ BATC Bursary Grants
- ↳ Spectrum matters
- ↳ Streaming
- ↳ EMF Compliance
- ↳ Narrow Band DATV (RB-TV)
- ↳ Broadcast Equipment Discussion Zone
- ↳ DXSpot.TV
- ↳ Deutschsprachiges Forum
- ↳ Portsdown DATV Projekt - Deutschsprachiges Forum
- ↳ Minitioune(r) - Deutschsprachiges Forum
- ↳ Events
- ↳ Early Digital ATV Equipment
- ↳ DigiThin
- ↳ DigiLite
- ↳ BATC DTX1
- ↳ The Langstone Microwave Transceiver
- ↳ CaribouLite RPi Hat
- Adverts
- ↳ For Sale
- ↳ Wanted
- ↳ BATC Shop
- ATV Repeaters
- ↳ UK ATV Repeaters
- ↳ UK Repeater Details Moving to the BATC Wiki
- ↳ UK ATV Repeater News and Discussion
- ↳ GB3BH
- ↳ GB3CZ
- ↳ GB3DK
- ↳ GB3EN
- ↳ GB3ET
- ↳ GB3EY
- ↳ GB3FB
- ↳ GB3FT
- ↳ GB3FW
- ↳ GB3FY
- ↳ GB3GG
- ↳ GB3GV
- ↳ GB3GW
- ↳ GB3HV
- ↳ GB3IF
- ↳ GB3IT
- ↳ GB3IV
- ↳ GB3JT
- ↳ GB3KM
- ↳ GB3LO
- ↳ GB3LX
- ↳ GB3MV
- ↳ GB3NQ
- ↳ GB3NV
- ↳ GB3PV
- ↳ GB3RT
- ↳ GB3RV
- ↳ GB3SQ
- ↳ GB3TG
- ↳ GB3TM
- ↳ GB3TN
- ↳ GB3TT
- ↳ GB3TV
- ↳ GB3TZ
- ↳ GB3UD
- ↳ GB3VR
- ↳ GB3UT
- ↳ GB3VL
- ↳ GB3VV
- ↳ GB3VX
- ↳ GB3WV
- ↳ GB3YT
- ↳ GB3ZZ
- ↳ Internet-only Repeaters
- ↳ IO91LC
- ↳ IO91WN
- ↳ IO92GQ
- ↳ Overseas ATV Repeaters
- ↳ ATV Repeater Technical Topics
- Archive
- ↳ GB3AT
- ↳ GB3FT
- ↳ GB3FV
- ↳ GB3CT
- ↳ GB3AD
- ↳ GB3BG
- ↳ GB3DH
- ↳ GB3DJ
- ↳ GB3KT
- ↳ GB3NV
- ↳ GB3OT
- ↳ GB3PT
- ↳ GB3TB
- ↳ GB3TX
- ↳ GB3VW
- ↳ GB3XG
- ↳ GB3XT
- ↳ GB3XV
- ↳ GB3XY
- ↳ GB3YT
- ↳ GB3YX
- ↳ For Sale Ads Archive
- ↳ Wanted Ads Archive
- ↳ CAT 13 - Finningley 26/27 October 2013
- ↳ CAT 14 - Basingstoke 6/7 September 2014
- ↳ CAT 15 - Finningley 5/6 September 2015
- ↳ CAT 16 and BGM 2016
- ↳ CAT 17
- ↳ CAT18
- ↳ Mini-Conventions in 2019
- ↳ CAT 20 - Online 24 October 2020
- ↳ CQ-DATV, the e-book magazine
- ↳ CAT 21 - Part 2 Online Saturday 16 October 2021
- ↳ CAT 22 - Online 22 October 2022
- ↳ CAT 23 - Midland Air Museum Coventry 6 August 2023
- ↳ CAT 24 Part 2- Online Saturday 26 October 2024