on the portsdown the – 8 way RF output switch can you run 2 in parallel.
my reason of thinking is as i've been reading it can now sort of control a minitioune board.
Im just about to start building a portsdown using a limemini.
use 1 Portsdown – 8 way RF output switch for the lime output to different PA's and ant's
use 2 Portsdown – 8 way RF output switch as a switched input 8 different feeds in to the minitioune
paired up to if i'm using separate ant's for tx and rx
so if im on 70cms i can feed a 70cm ant to the minitioune or if im on 23 cms it will switch to the 23cm ant feed on the minitioune
so they change in sync one for input one for output
Portsdown – 8 way RF output switch
Re: Portsdown – 8 way RF output switch
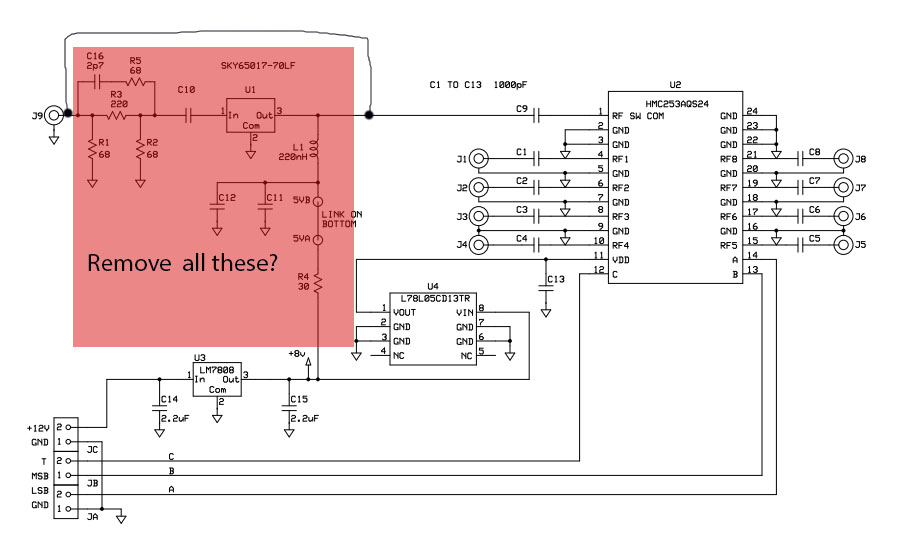
Yes - I'm thinking the same way and Dave G8GKQ has already done it, you just don't need the MMIC amp on board which will need to be shorted out.
Re control - it is a case of simple DC levels on 3 pins to select the right port. These can be driven by Portsdown for auto selection but I'm going to put in manual control as well.
73
Noel - G8GTZ
Re control - it is a case of simple DC levels on 3 pins to select the right port. These can be driven by Portsdown for auto selection but I'm going to put in manual control as well.
73
Noel - G8GTZ
Re: Portsdown – 8 way RF output switch
cheers for that noel
just thinking. maybe a new board design for this purpose. But with 8 bias-t voltage inputs for mast head pre-amps at 12v or lna at 5v ect
or just mod the oric board as suggested by pass the mmic and add some bias boards to the outputs
just thinking. maybe a new board design for this purpose. But with 8 bias-t voltage inputs for mast head pre-amps at 12v or lna at 5v ect
or just mod the oric board as suggested by pass the mmic and add some bias boards to the outputs
Re: Portsdown – 8 way RF output switch
Thats the way I do it. I buffer the 3 pins and feed them to a 2nd 8 way board mounted in an external box. I bypassed the mmic as I already have enough gain in my mhp/xverters to overcome the few db loss of the switch ic
Dave
G4FRE
Dave
G4FRE
g8gtz wrote: ↑Wed Nov 13, 2019 6:25 pmYes - I'm thinking the same way and Dave G8GKQ has already done it, you just don't need the MMIC amp on board which will need to be shorted out.
Re control - it is a case of simple DC levels on 3 pins to select the right port. These can be driven by Portsdown for auto selection but I'm going to put in manual control as well.
73
Noel - G8GTZ
Re: Portsdown – 8 way RF output switch
If i have this right remove the parts in red and just bridge
to give you a 8 in to 1 selectable rf INPUTS for a receiver

to give you a 8 in to 1 selectable rf INPUTS for a receiver

- Attachments
-
- 8way mod.jpg (87.76 KiB) Viewed 3116 times