Today QO-100 Beacon has a very bad TS
Today QO-100 Beacon has a very bad TS
Hello,
Everybody can see that the Beacon doesn't produce a fluid video if we use Minitioune (Microsoft demultiplexer that takes care of timing PCR/PTS) or if we use a professional receiver.
If we use a basic set top box receiver, we can see a fluid video, because this basic receiver doesn't take care of timing; doesn't search to synchronize video and audio, so render video and audio when they arrive in the decoder.
VLC in some case is more accommodating, and we use it sometime in conjunction with Minitioune when we are receiving a video with some glitches if we render it with the Microsoft demultiplexer that uses Minitioune.
This morning I have analyzed the very bad TS received from the Beacon
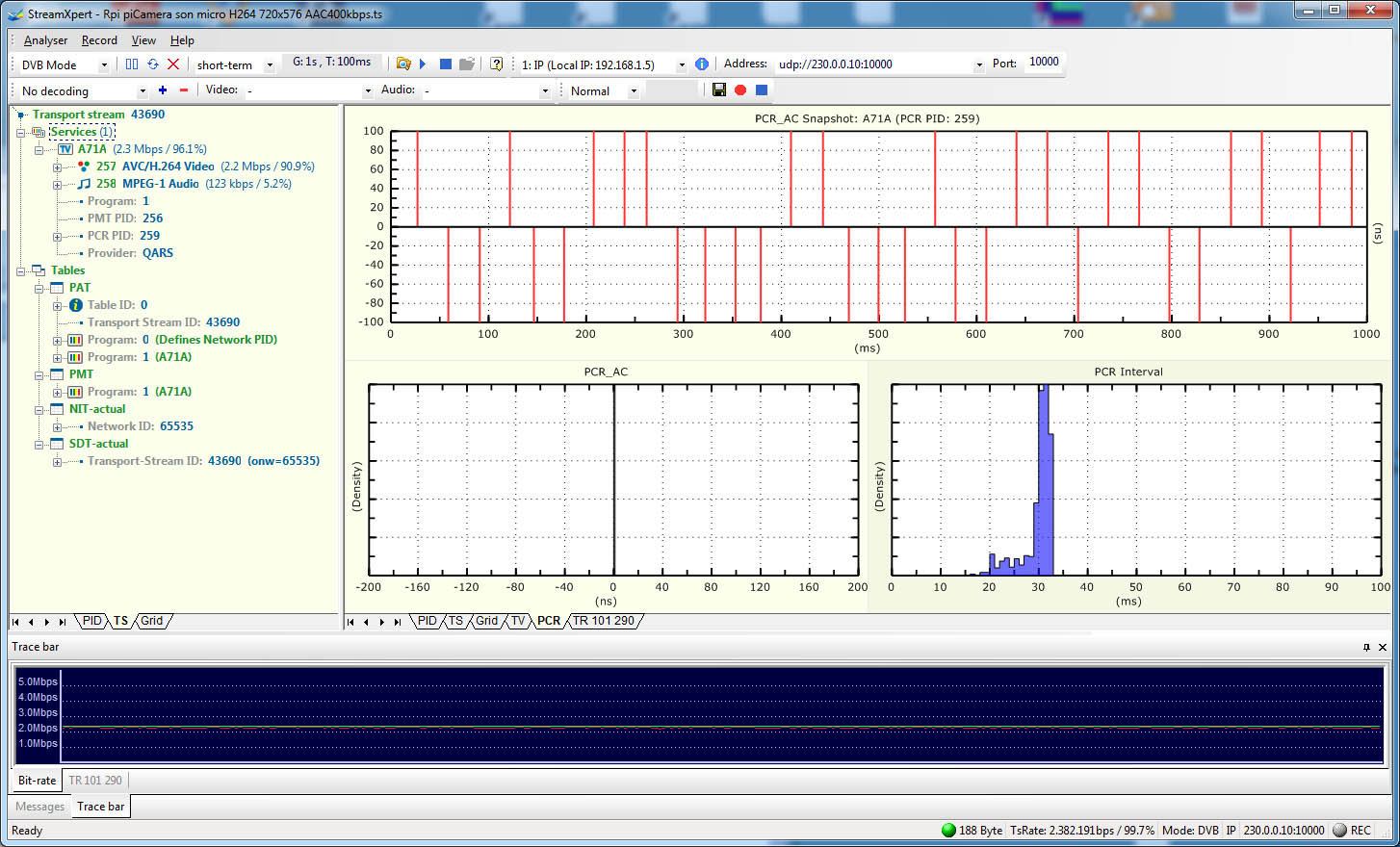
We can see that we have constantly bad PCR: here is a good PCR timing : we can observe the PCR accuracy.
I I observe the TS coming from the Beacon I can see that PCR accuracy canot been seen, because it is too far from standard use. So, we know why, when we try to receive the Beacon the video is not fluid but jerked.
Jean-Pierre F6DZP
Everybody can see that the Beacon doesn't produce a fluid video if we use Minitioune (Microsoft demultiplexer that takes care of timing PCR/PTS) or if we use a professional receiver.
If we use a basic set top box receiver, we can see a fluid video, because this basic receiver doesn't take care of timing; doesn't search to synchronize video and audio, so render video and audio when they arrive in the decoder.
VLC in some case is more accommodating, and we use it sometime in conjunction with Minitioune when we are receiving a video with some glitches if we render it with the Microsoft demultiplexer that uses Minitioune.
This morning I have analyzed the very bad TS received from the Beacon
We can see that we have constantly bad PCR: here is a good PCR timing : we can observe the PCR accuracy.
I I observe the TS coming from the Beacon I can see that PCR accuracy canot been seen, because it is too far from standard use. So, we know why, when we try to receive the Beacon the video is not fluid but jerked.
Jean-Pierre F6DZP
Re: Today QO-100 Beacon has a very bad TS
Thanks Jean-Pierre
And I thought that it was just my PC causing the problems!
Did the problem first occur when the beacon SR was reduced, or has siomething else changed since then?
I will notify the "beacon keepers".
Dave, G8GKQ
And I thought that it was just my PC causing the problems!
Did the problem first occur when the beacon SR was reduced, or has siomething else changed since then?
I will notify the "beacon keepers".
Dave, G8GKQ
Re: Today QO-100 Beacon has a very bad TS
I say the inverse : it can be received by a basic set top box but not by any receiver that takes care of PCR/PTS timing.it's not working on amateur gear.
can anyone record the TS and analyze it with a professional tool? ( measurement of PCR accuracy, PCR/PTS audio, PCR/PTS video...)
PCR accuracy should be +/- 500 ns
My analyzer says that Beacon PCR accuracy is more than +600 µs or less than 600 µs
( in the diagram you see several red vertical positive lines, several vertical negative lines.... and density of PCR accuracy cannot be shown as outside of the graphic)
on the global report, in about 1 mn of signal, I have 8592 PCR accuracy errors
Perhaps, I am wrong, perhaps I have missed something, but for now all elements have in hands show me a big problem in the TS.
I have never seen wrong report given by StreamXpert, but perhaps I have made a mistake??
The DL Experts have used a R&S DVM400 to do the measurement. I would be happy to see the photo of the PCR accuracy with this equipment.
Jean-Pierre F6DZP
Re: Today QO-100 Beacon has a very bad TS
I will make the point I made in the Amsat DL forum, which is hopefully less sensitive - could it be that the beacon is working sometimes and is faulty at other times and therefore both measurements are correct? Unfortunately I don't have the disk space to record the TS for 24 hours. I could probably leave TS Analyser running but I am not sure how to configure it.
Mike
Mike
Re: Today QO-100 Beacon has a very bad TS
Hello,
I continue to investigate.
Problem summary:
- Since we have a new Beacon_TS at SR1500, sometimes, not always, we can get a jerky video when we use Minitioune+MiniTiouner.
(yesterday morning it was very jerky on my station, this morning video is not jerky...)
- This problem was never seen when the Beacon-TS was et SR2000.
- The jerky video depends also of the codec we are using under Windows, I have tested different of them, some seems to accept in a better way this TS, but when it is better, I don't really know if it is the change of codec or the change of the moment I do next observation after changing the codec..
- We don't have this jerky video when we receive a DATV station on QO-100 (supposing the TS transmitted is well encoded)
- VLC seem to accept this TS in a better way, but VLC doesn't uses the Microsoft demultiplexer that is very strict on the timing)
I take the two statements A and B as the truth:
A) I suppose that, as Peter DB2OS and Amsat DL Experts say, the "PCR accuracy" (not the "PCR jitter" ) is correct at the origin (+/- 200 ns) in the TS produced.
B) I suppose that, as StreamXpert Analyzer says "PCR accuracy is very bad (about +/- 780 µs) when I receive the TS via UDP from Minitioune.
Remark: I discover this morning something specific:
This Beacon_TS is also a bit "special" compared to our habits : the PCR data used a separate PID. Most of time PCR data uses the same PID than the video data( in our DATV transmission) . Perhaps it is this setup (allowed) that causes the problem?
Analyzing the relation PCR/PST audio and PCR/PTS video seems always good this morning.
PCR and PTS are timing values written in the TS that is sent. PCR is the reference clock, PTS (Presentation Time Stamp) tell to the decoder when the video or audio must be displayed/rendered.
As PCR is the reference Clock, this clock must be very accurate. PCR accuracy must be < +/- 500ns
=>It is sent with an accuracy of +/- 200ns says DL Expert Team.
=>It is received by Minitioune , sent by UDP to a PC using StreamExpert (Dektec TS analyzer) and
analyzing PCR accuracy of the TS received by Minitioune gives bad result.
with the Beacon at SR1500, PCR values are written in specific packets.(separate PID)
Questions:
- Can the way Minitioune receiving a TS with PCR using a PID different from videoPID could causes the problem?
( because all DATV stations use same PID for PCR and video)
- Can the computer clock, the Minitiouner Clock, the software components, anything else influence the result?
As I say, I continue to investigate...
73
Jean-Pierre F6DZP
73s
Jean-Pierre F6DZP
I continue to investigate.
Problem summary:
- Since we have a new Beacon_TS at SR1500, sometimes, not always, we can get a jerky video when we use Minitioune+MiniTiouner.
(yesterday morning it was very jerky on my station, this morning video is not jerky...)
- This problem was never seen when the Beacon-TS was et SR2000.
- The jerky video depends also of the codec we are using under Windows, I have tested different of them, some seems to accept in a better way this TS, but when it is better, I don't really know if it is the change of codec or the change of the moment I do next observation after changing the codec..
- We don't have this jerky video when we receive a DATV station on QO-100 (supposing the TS transmitted is well encoded)
- VLC seem to accept this TS in a better way, but VLC doesn't uses the Microsoft demultiplexer that is very strict on the timing)
I take the two statements A and B as the truth:
A) I suppose that, as Peter DB2OS and Amsat DL Experts say, the "PCR accuracy" (not the "PCR jitter" ) is correct at the origin (+/- 200 ns) in the TS produced.
B) I suppose that, as StreamXpert Analyzer says "PCR accuracy is very bad (about +/- 780 µs) when I receive the TS via UDP from Minitioune.
Remark: I discover this morning something specific:
This Beacon_TS is also a bit "special" compared to our habits : the PCR data used a separate PID. Most of time PCR data uses the same PID than the video data( in our DATV transmission) . Perhaps it is this setup (allowed) that causes the problem?
Analyzing the relation PCR/PST audio and PCR/PTS video seems always good this morning.
PCR and PTS are timing values written in the TS that is sent. PCR is the reference clock, PTS (Presentation Time Stamp) tell to the decoder when the video or audio must be displayed/rendered.
As PCR is the reference Clock, this clock must be very accurate. PCR accuracy must be < +/- 500ns
=>It is sent with an accuracy of +/- 200ns says DL Expert Team.
=>It is received by Minitioune , sent by UDP to a PC using StreamExpert (Dektec TS analyzer) and
analyzing PCR accuracy of the TS received by Minitioune gives bad result.
with the Beacon at SR1500, PCR values are written in specific packets.(separate PID)
Questions:
- Can the way Minitioune receiving a TS with PCR using a PID different from videoPID could causes the problem?
( because all DATV stations use same PID for PCR and video)
- Can the computer clock, the Minitiouner Clock, the software components, anything else influence the result?
As I say, I continue to investigate...
73
Jean-Pierre F6DZP
73s
Jean-Pierre F6DZP
Re: Today QO-100 Beacon has a very bad TS
Hello,
I have a little TS from the Beacon at SR2000.
I look at it...
PCR accuracy is also not very good, but ... but PCR/PTS timing is good (positive)
OOHHH!
Yes, I think I have the reason why we have problem with:
Analyzing the TS from Beacon SR1500:
not only PCR accuracy is very bad but .... PCR/PTS timing is NEGATIVE!!
that means that the software ask do display video at a time relatively negative (= playback).
So the demultiplexer/decoder do what it can to try to make up for the backlog.
Perhaps this PCR/PTS value change over time and we get less jerky video.
here are the PCR/PTS_video values for a good TS made by a Minimod at SR2000, the values are about +700ms, so we ask the decoder to render the video 700 ms before the PCR clock corresponding arrives, to let the time to the buffering proccess , decoding process to do their job Here is the Beacon at SR2000 we had in March: again the PCR/PTS is positive, we let about 450 ms to the decoder to do the job
(PCR are also very bad) And now here is the PCR/PTS timing we have with the new Beacon at SR1500: The PCR/PTS value is NEGATIVE!!!
So a demultiplexer/decoder process can't go back in time, so do what it can...
and PCR accuracy is always very very bad.
So, I have finished my investigation.
Jean-Pierre F6DZP
I have a little TS from the Beacon at SR2000.
I look at it...
PCR accuracy is also not very good, but ... but PCR/PTS timing is good (positive)
OOHHH!
Yes, I think I have the reason why we have problem with:
Analyzing the TS from Beacon SR1500:
not only PCR accuracy is very bad but .... PCR/PTS timing is NEGATIVE!!
that means that the software ask do display video at a time relatively negative (= playback).
So the demultiplexer/decoder do what it can to try to make up for the backlog.
Perhaps this PCR/PTS value change over time and we get less jerky video.
here are the PCR/PTS_video values for a good TS made by a Minimod at SR2000, the values are about +700ms, so we ask the decoder to render the video 700 ms before the PCR clock corresponding arrives, to let the time to the buffering proccess , decoding process to do their job Here is the Beacon at SR2000 we had in March: again the PCR/PTS is positive, we let about 450 ms to the decoder to do the job
(PCR are also very bad) And now here is the PCR/PTS timing we have with the new Beacon at SR1500: The PCR/PTS value is NEGATIVE!!!
So a demultiplexer/decoder process can't go back in time, so do what it can...
and PCR accuracy is always very very bad.
So, I have finished my investigation.
Jean-Pierre F6DZP